توضیحات
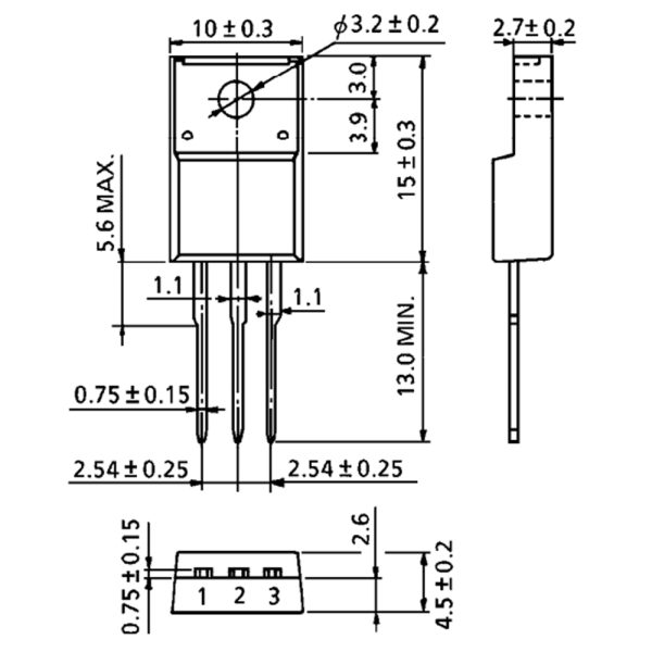
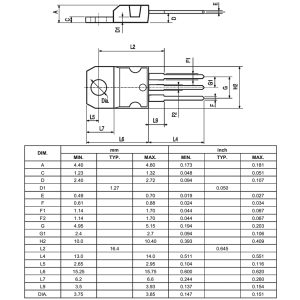
مشخصات TK12A50D
این قطعه از خانواده ماسفت میباشد. ویژگیهای فنی این محصول براساس دیتاشیت ارایه شده از سوی تولید کننده آن به شرح زیر می باشد:
- برند Toshiba Corporation
- پکیج TO-220F-3
- نوع نصب روی برد Through Hole
- تعداد کانال 1 کانال
- منفی یا مثبت N-Channel قطب
- ولتاژ 500 ولت
- جریان 12 آمپر
- مقاومت 520 میلی اهم





نقد و بررسی وجود ندارد.