توضیحات
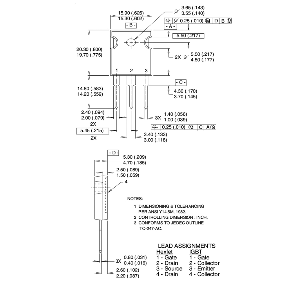
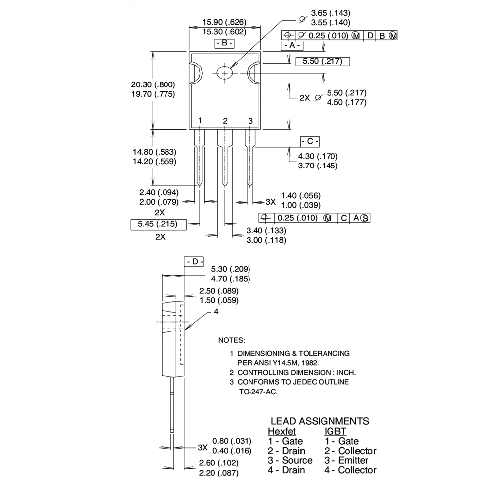
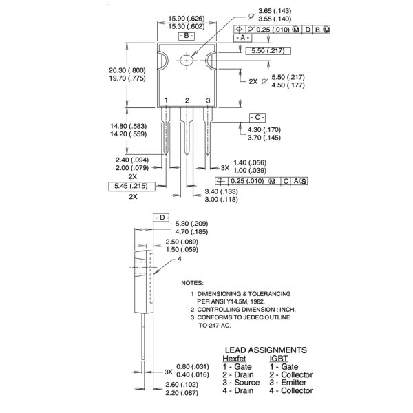
مشخصات STW70N60DM2
این قطعه از خانواده ماسفت میباشد. ویژگیهای فنی این محصول براساس دیتاشیت ارایه شده از سوی تولید کننده آن به شرح زیر می باشد:
- برند STMicroelectronics
-
نام کارخانهای 70N60DM2
- پکیج TO-247AC
- نوع نصب روی برد Through Hole
- تعداد کانال 1 کانال
- منفی یا مثبت N-Channel قطب
- ولتاژ 600 ولت
- جریان 66 آمپر
- مقاومت 42 میلی اهم



نقد و بررسی وجود ندارد.