توضیحات
مشخصات STP80NF03L-04
این قطعه از خانواده ماسفت میباشد. ویژگیهای فنی این محصول براساس دیتاشیت ارایه شده از سوی تولید کننده آن به شرح زیر می باشد:
- برند STMicroelectronics
-
نام کارخانهای 80NF03L-04
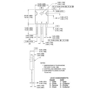
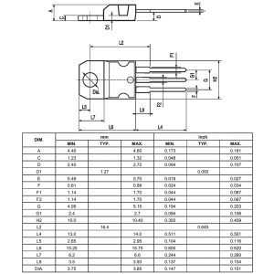
- پکیج TO-220
- نوع نصب روی برد Through Hole
- تعداد کانال 1 کانال
- منفی یا مثبت N-Channel قطب
- ولتاژ 30 ولت
- جریان 80 آمپر
- مقاومت 4 میلی اهم



نقد و بررسی وجود ندارد.