توضیحات
مشخصات STP6N120K3
این قطعه از خانواده ماسفت میباشد. ویژگیهای فنی این محصول براساس دیتاشیت ارایه شده از سوی تولید کننده آن به شرح زیر می باشد:
- برند STMicroelectronics
- نام کارخانهای 6N120K3
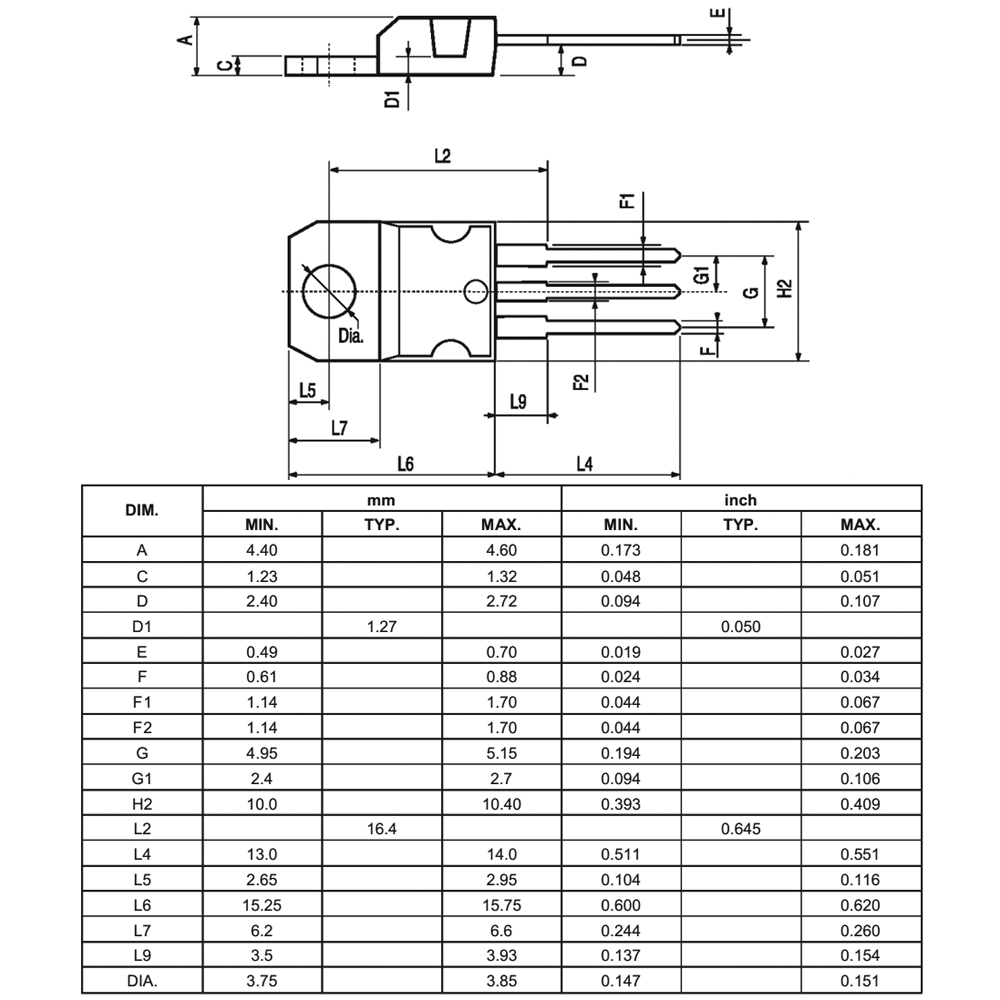
- پکیج TO-220AB
- نوع نصب روی برد Through Hole
- تعداد کانال 1 کانال
- منفی یا مثبت N-Channel قطب
- ولتاژ 1.2 کیلو ولت
- جریان 6 آمپر
- مقاومت 2.4 اهم







نقد و بررسی وجود ندارد.