توضیحات
مشخصات SPP24N60C3
این قطعه از خانواده ماسفت میباشد. ویژگیهای فنی این محصول براساس دیتاشیت ارایه شده از سوی تولید کننده آن به شرح زیر می باشد:
- برند Infineon Technologies
-
نام کارخانهای 24N60C3
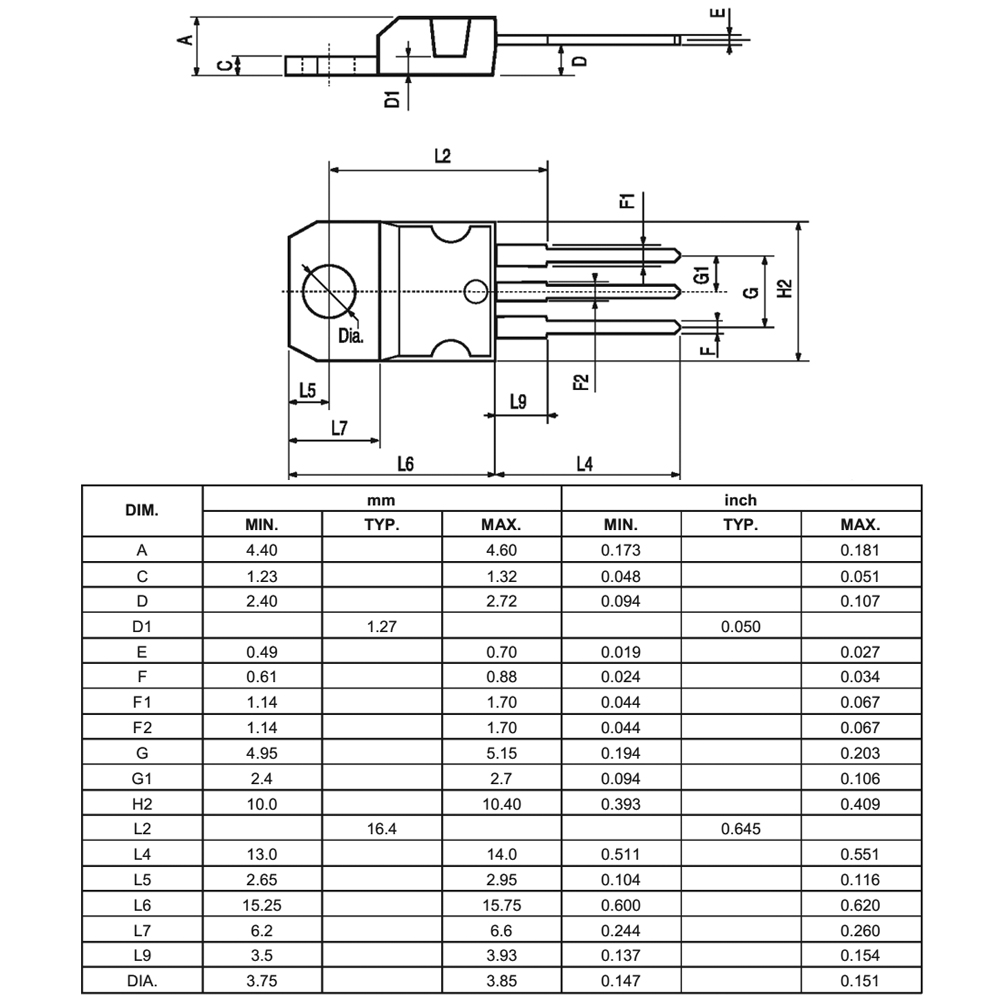
- پکیج TO-220AB
- نوع نصب روی برد Through Hole
- تعداد کانال 1 کانال
- منفی یا مثبت N-Channel قطب
- ولتاژ 650 ولت
- جریان 24.3 آمپر
- مقاومت 160 میلی اهم






نقد و بررسی وجود ندارد.