توضیحات
مشخصات SPP11N60C3
این قطعه از خانواده ماسفت میباشد. ویژگیهای فنی این محصول براساس دیتاشیت ارایه شده از سوی تولید کننده آن به شرح زیر می باشد:
- برند Infineon Technologies
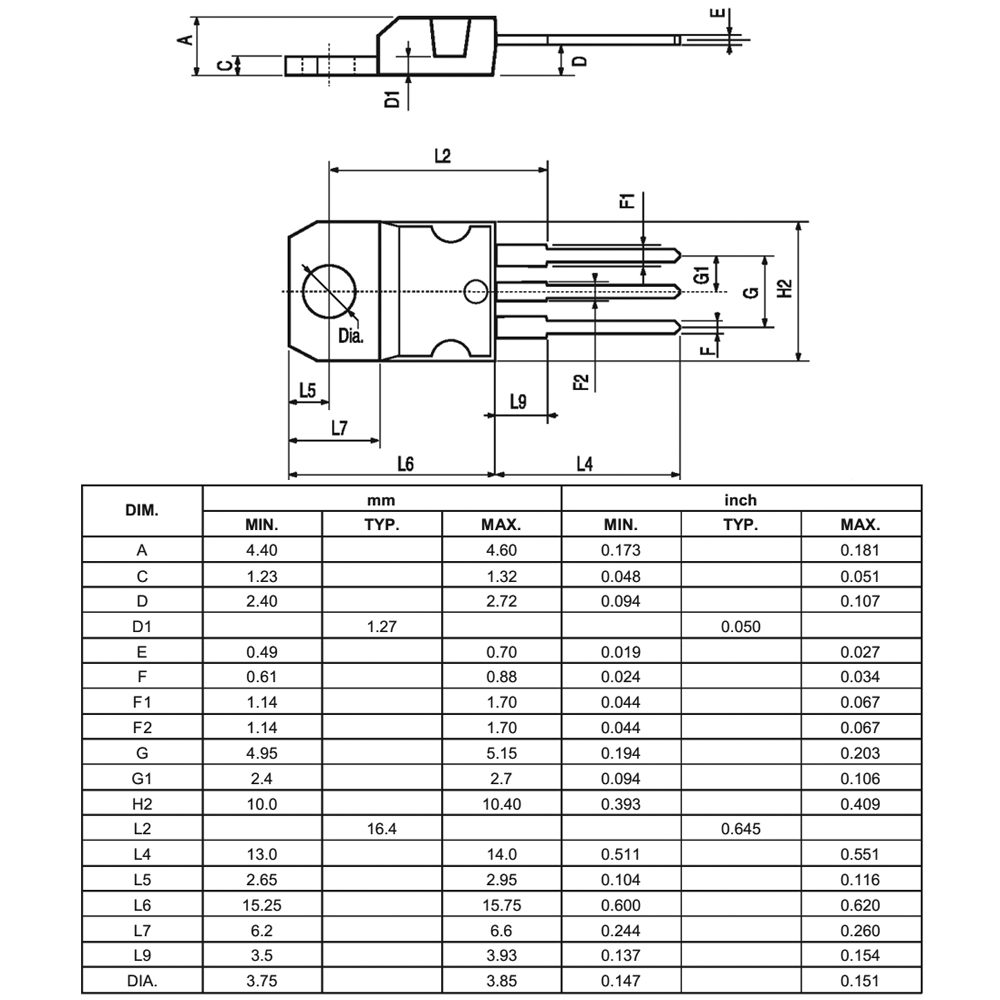
- پکیج TO-220AB
- منفی یا مثبت N-Channel قطب
- ولتاژ 600 ولت
- نوع نصب روی برد Through Hole
- تعداد کانال 1 کانال
- جریان 11 آمپر
- مقاومت 380 میلی اهم






نقد و بررسی وجود ندارد.