توضیحات
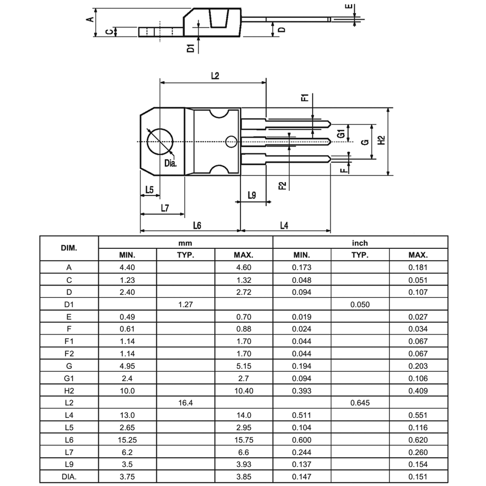
مشخصات PHP45N03LTA
این قطعه از خانواده ماسفت میباشد. ویژگیهای فنی این محصول براساس دیتاشیت ارایه شده از سوی تولید کننده آن به شرح زیر می باشد:
- برند Philips Semiconductor
- پکیج TO-220AB
- ولتاژ 25 ولت
- جریان 40 آمپر
- نوع نصب روی برد Through Hole
- تعداد کانال 1 کانال
- منفی یا مثبت N-Channel قطب
- مقاومت 40 میلی اهم





نقد و بررسی وجود ندارد.