توضیحات
مشخصات IXTX24N100
این قطعه از خانواده ماسفت میباشد. ویژگیهای فنی این محصول براساس دیتاشیت ارایه شده از سوی تولید کننده آن به شرح زیر می باشد:
- برند IXYS Integrated Circuits
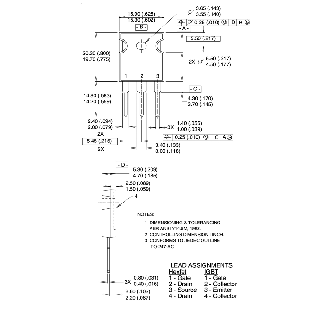
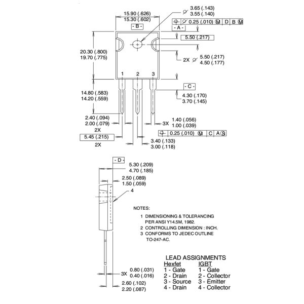
- پکیج TO-247AC
- نوع نصب روی برد Through Hole
- تعداد کانال 1 کانال
- منفی یا مثبت N-Channel قطب
- ولتاژ 1 کیلو ولت
- جریان 24 آمپر
- مقاومت 400 میلی اهم




نقد و بررسی وجود ندارد.