توضیحات
مشخصات IRLR024NPBF
این قطعه از خانواده ماسفت میباشد. ویژگیهای فنی این محصول براساس دیتاشیت ارایه شده از سوی تولید کننده آن به شرح زیر می باشد:
- برند Infineon Technologies
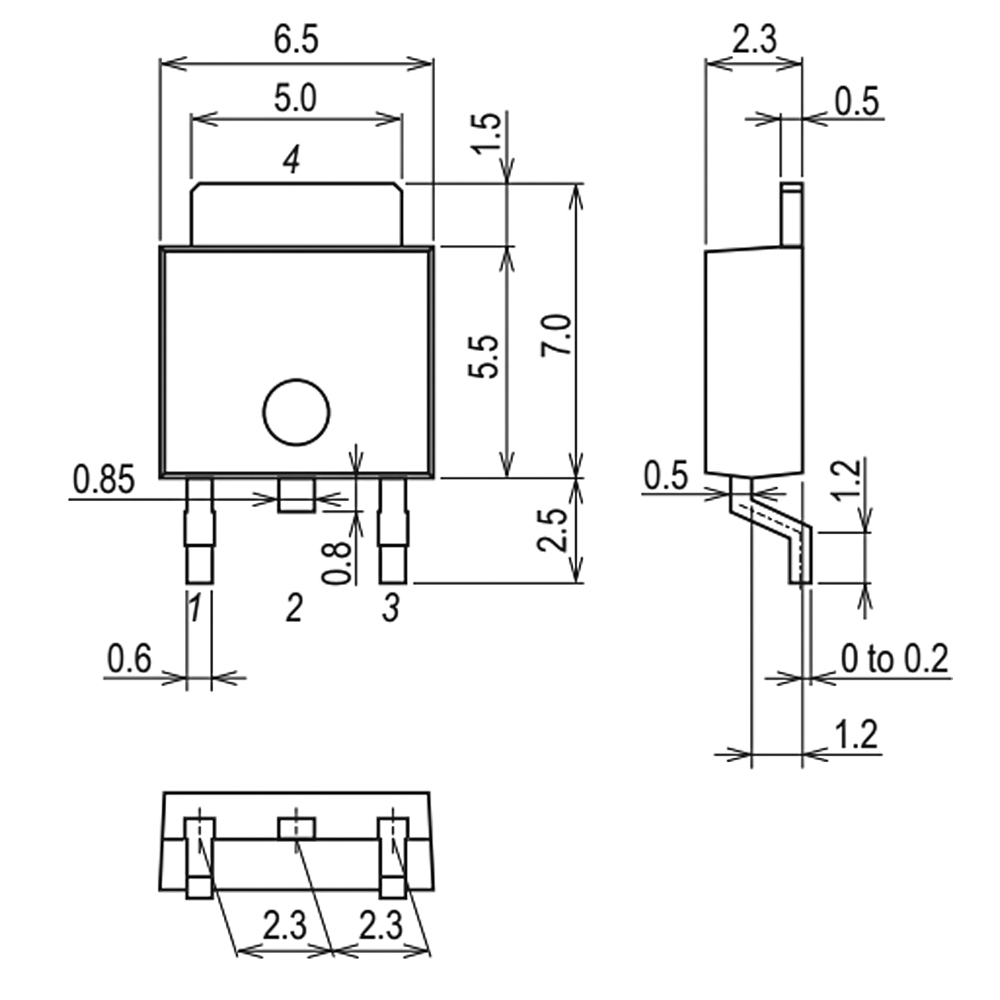
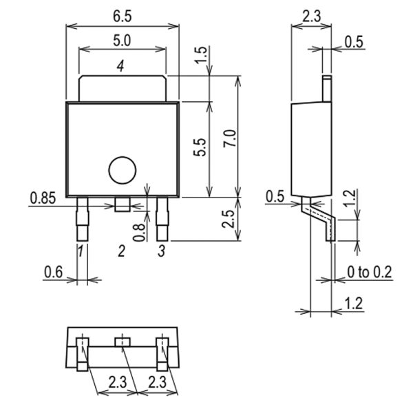
- پکیج TO-252 (D-PAK)
- مقاومت 110 میلی اهم
- نوع نصب روی برد SMD/SMT
- تعداد کانال 1 کانال
- منفی یا مثبت N-Channel قطب
- ولتاژ 55 ولت
- جریان 17 آمپر
ماسفت IRLR024NPBF یکی از قطعات الکترونیکی پرکاربرد و حیاتی در صنعت الکترونیک قدرت است که به دلیل ویژگیهای فنی برجسته و عملکرد قابل اعتماد، در طیف گستردهای از کاربردهای صنعتی و تجاری استفاده میشود. این MOSFET از نوع N-Channel بوده و با ولتاژ تحمل ۵۵ ولت و جریان عبوری تا ۱۷ آمپر، گزینهای ایدهآل برای کنترل جریان و ولتاژ در مدارهای قدرت میباشد.
یکی از ویژگیهای مهم ماسفت IRLR024NPBF، مقاومت داخلی بسیار پایین در حالت روشن (Rds(on)) است که باعث کاهش اتلاف انرژی و افزایش بهرهوری سیستمهای الکترونیکی میشود. این ویژگی باعث میشود تا میزان تولید حرارت کاهش یافته و در نتیجه عمر مفید دستگاههای الکترونیکی افزایش یابد. به همین دلیل این ماسفت به طور گسترده در منابع تغذیه سوئیچینگ، درایوهای موتور، مبدلهای انرژی و سایر سیستمهای قدرت استفاده میشود.
بستهبندی TO-252 این ماسفت، نصب آسان و قابلیت خنککاری بهتر را فراهم میکند که برای مهندسین و تکنسینها اهمیت فراوانی دارد. این طراحی استاندارد باعث شده تا بتوان این قطعه را به راحتی در مدارهای مختلف تعویض یا نصب نمود.
عملکرد پایدار و پاسخدهی سریع این MOSFET در شرایط کاری مختلف، آن را برای کاربردهای پیشرفته و پیچیده مناسب میسازد. همچنین، مقاومت بالا در برابر دما و نوسانات برق از دیگر مزایای مهم این قطعه است که موجب افزایش ایمنی و دوام سیستمهای الکترونیکی میشود.
ماسفت IRLR024NPBF انتخابی عالی برای مهندسین، تکنسینها و تولیدکنندگان تجهیزات الکترونیکی است که به دنبال قطعاتی با کیفیت بالا، دوام طولانی و مصرف انرژی بهینه میباشند. استفاده از این ماسفت در طراحی و ساخت مدارهای قدرت، به بهبود کیفیت و کارایی سیستمها کمک شایانی میکند و باعث کاهش هزینههای تعمیر و نگهداری میشود.
برای اطلاعات دقیقتر و مشاهده دیتاشیت رسمی ماسفت IRLR024NPBF، میتوانید به این لینک مراجعه کنید. این دیتاشیت شامل تمام مشخصات فنی، نمودارها و شرایط کاری این قطعه است که برای طراحی دقیق مدار بسیار ضروری است.
در نهایت، اگر به دنبال یک MOSFET قدرتمند، قابل اعتماد و با عملکرد بالا برای پروژهها و تجهیزات صنعتی خود هستید، ماسفت IRLR024NPBF بهترین انتخاب برای شما خواهد بود. خرید این قطعه از فروشگاه ما، تضمینکننده کیفیت، اصالت کالا و خدمات پس از فروش مناسب است.
با استفاده از ماسفت IRLR024NPBF، میتوانید اطمینان حاصل کنید که سیستمهای الکترونیکی شما با بالاترین راندمان و کمترین مصرف انرژی عمل میکنند و طول عمر بیشتری خواهند داشت. این محصول با توجه به استانداردهای بینالمللی تولید شده و در بازار جهانی از محبوبیت زیادی برخوردار است.
ماسفت IRLR024NPBF علاوه بر ویژگیهای فنی عالی، از لحاظ کیفیت ساخت نیز بسیار قابل اعتماد است. این قطعه تحت فرآیندهای کنترل کیفیت دقیق تولید شده و مطابق با استانداردهای بینالمللی میباشد. این امر اطمینان میدهد که در شرایط سخت صنعتی، عملکردی پایدار و ماندگار داشته باشد.
یکی دیگر از مزایای این ماسفت، قابلیت عملکرد در دمای بالا است. در بسیاری از کاربردهای صنعتی، دمای کاری دستگاهها میتواند بسیار بالا برود و قطعات باید توانایی تحمل این شرایط را داشته باشند. IRLR024NPBF با تحمل حرارتی مناسب، امکان استفاده در محیطهای صنعتی با دمای بالا را فراهم میکند.
از طرف دیگر، این ماسفت به دلیل پاسخدهی سریع و کارایی بالا، در کاربردهایی مانند کنترل سرعت موتورهای الکتریکی، اینورترها و منابع تغذیه سوئیچینگ بسیار موثر است. کنترل دقیق جریان و ولتاژ در این دستگاهها، باعث افزایش عمر مفید سیستم و کاهش مصرف انرژی میشود.
علاوه بر کاربردهای صنعتی، این MOSFET در سیستمهای الکترونیکی مصرفی و تجهیزات پیشرفته نیز کاربرد دارد. با توجه به ویژگیهای برجستهای مانند مقاومت کم، توان تحمل بالا و پاسخ سریع، این قطعه به یکی از انتخابهای اصلی در طراحی مدارهای قدرت تبدیل شده است.
خرید ماسفت IRLR024NPBF از فروشگاه ما تضمینکننده دریافت کالایی اصل و با کیفیت است که با قیمت مناسب و خدمات پس از فروش عالی همراه است. ما تلاش میکنیم بهترین قطعات الکترونیکی را با بالاترین استانداردها در اختیار مشتریان قرار دهیم تا پروژههای آنها با موفقیت و کیفیت بالا اجرا شود.
در نهایت، اگر به دنبال قطعهای با ترکیب مناسب قدرت، دوام و کارایی هستید، ماسفت IRLR024NPBF گزینهای بسیار مطمئن و کاربردی است. با انتخاب این قطعه، میتوانید سیستمهای الکترونیکی خود را به سطح بالاتری از کیفیت و کارایی برسانید و از عملکرد بدون مشکل و طولانی مدت آن بهرهمند شوید


نقد و بررسی وجود ندارد.