توضیحات
مشخصات IRLML2803TRPBF
IRLML2803TRPBF از خانواده ماسفت میباشد. ویژگیهای فنی این محصول براساس دیتاشیت ارایه شده از سوی تولید کننده آن به شرح زیر می باشد:
- برند Infineon Technologies
- نام کارخانهای IRLML2803TRPBF
- مارکینگ BJA0J
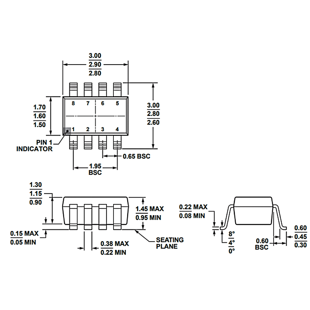
- پکیج SOT-23-8
- ولتاژ 30 ولت
- جریان 1.2 آمپر
- منفی یا مثبت N-Channel قطب
- مقاومت 250 میلی اهم
- نوع نصب روی برد SMD/SMT
- تعداد کانال 1 کانال





نقد و بررسی وجود ندارد.