توضیحات
مشخصات IRFU9024NPBF
این قطعه از خانواده ماسفت میباشد. ویژگیهای فنی این محصول براساس دیتاشیت ارایه شده از سوی تولید کننده آن به شرح زیر می باشد:
- برند Infineon Technologies
-
نام کارخانهای FU9024N
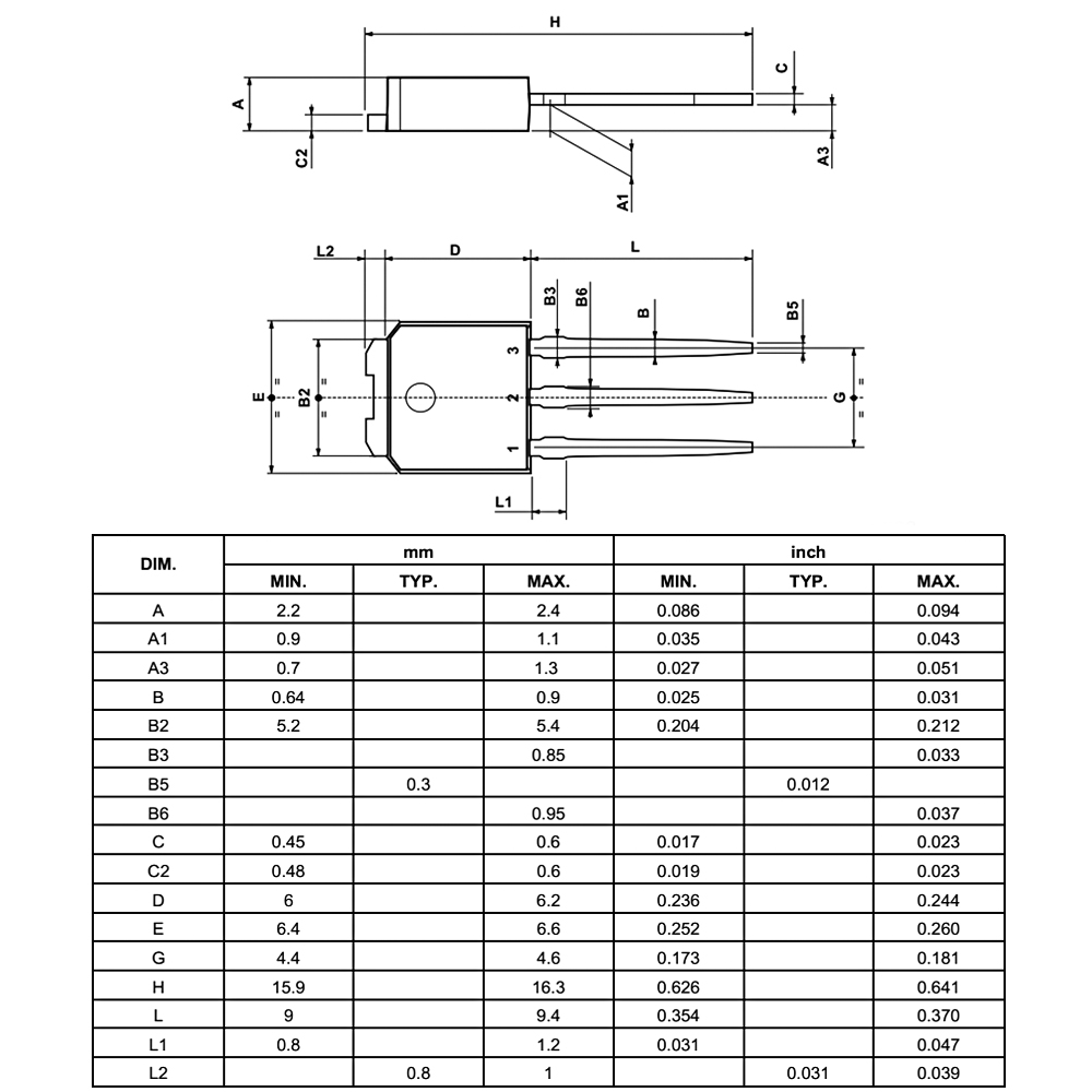
- پکیج TO-251 (IPAK)
- تعداد کانال 1 کانال
- منفی یا مثبت P-Channel قطب
- ولتاژ -60 ولت
- جریان -8.8 آمپر
- مقاومت 280 میلی اهم
- نوع نصب روی برد Through Hole





نقد و بررسی وجود ندارد.