توضیحات
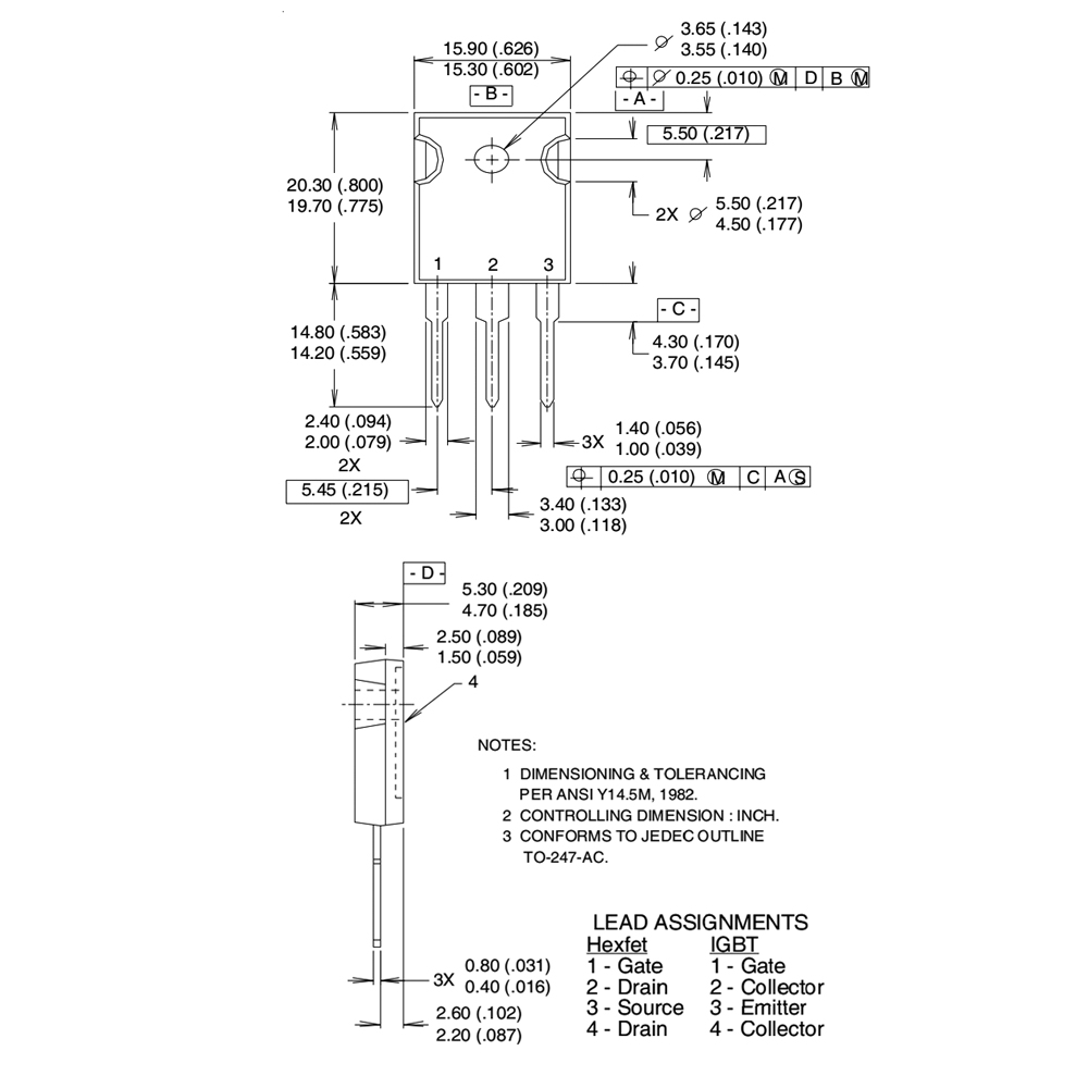
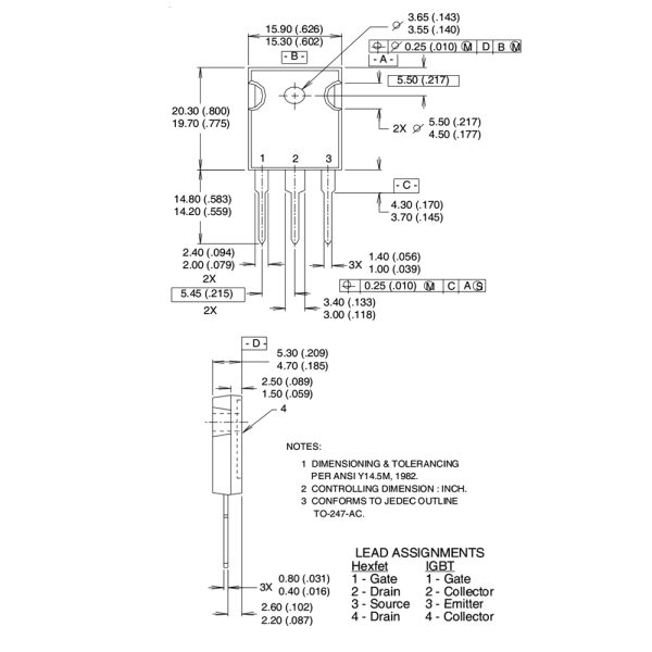
مشخصات IRFP450PBF
این قطعه از خانواده ماسفت میباشد. ویژگیهای فنی این محصول براساس دیتاشیت ارایه شده از سوی تولید کننده آن به شرح زیر می باشد:
- برند Vishay
- پکیج TO-247AC
- مقاومت 400 میلی اهم
- نوع نصب روی برد Through Hole
- تعداد کانال 1 کانال
- منفی یا مثبت N-Channel قطب
- ولتاژ 500 ولت
- جریان 14 آمپر





نقد و بررسی وجود ندارد.