توضیحات
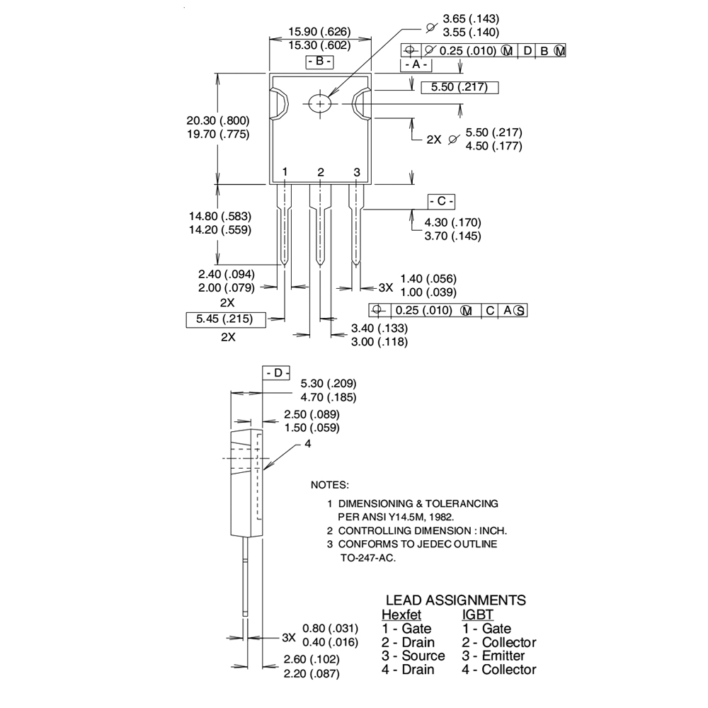
مشخصات IRFP064NPBF
این قطعه از خانواده ماسفت میباشد. ویژگیهای فنی این محصول براساس دیتاشیت ارایه شده از سوی تولید کننده آن به شرح زیر می باشد:
- برند Infineon Technologies
- پکیج TO-247AC
- نوع نصب روی برد Through Hole
- تعداد کانال 1 کانال
- منفی یا مثبت N-Channel قطب
- ولتاژ 55 ولت
- جریان 110 آمپر
- مقاومت 8 میلی اهم







نقد و بررسی وجود ندارد.