توضیحات
مشخصات IRF830PBF
این قطعه از خانواده ماسفت میباشد. ویژگیهای فنی این محصول براساس دیتاشیت ارایه شده از سوی تولید کننده آن به شرح زیر می باشد:
- برند Infineon Technologies
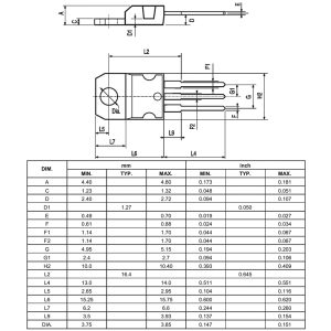
- پکیج TO-220AB
- مقاومت 1.5 اهم
- نوع نصب روی برد Through Hole
- تعداد کانال 1 کانال
- منفی یا مثبت N-Channel قطب
- ولتاژ 500 ولت
- جریان 4.5 آمپر




نقد و بررسی وجود ندارد.