توضیحات
مشخصات IRF740PBF
این قطعه از خانواده ماسفت میباشد. ویژگیهای فنی این محصول براساس دیتاشیت ارایه شده از سوی تولید کننده آن به شرح زیر می باشد:
- برند Vishay
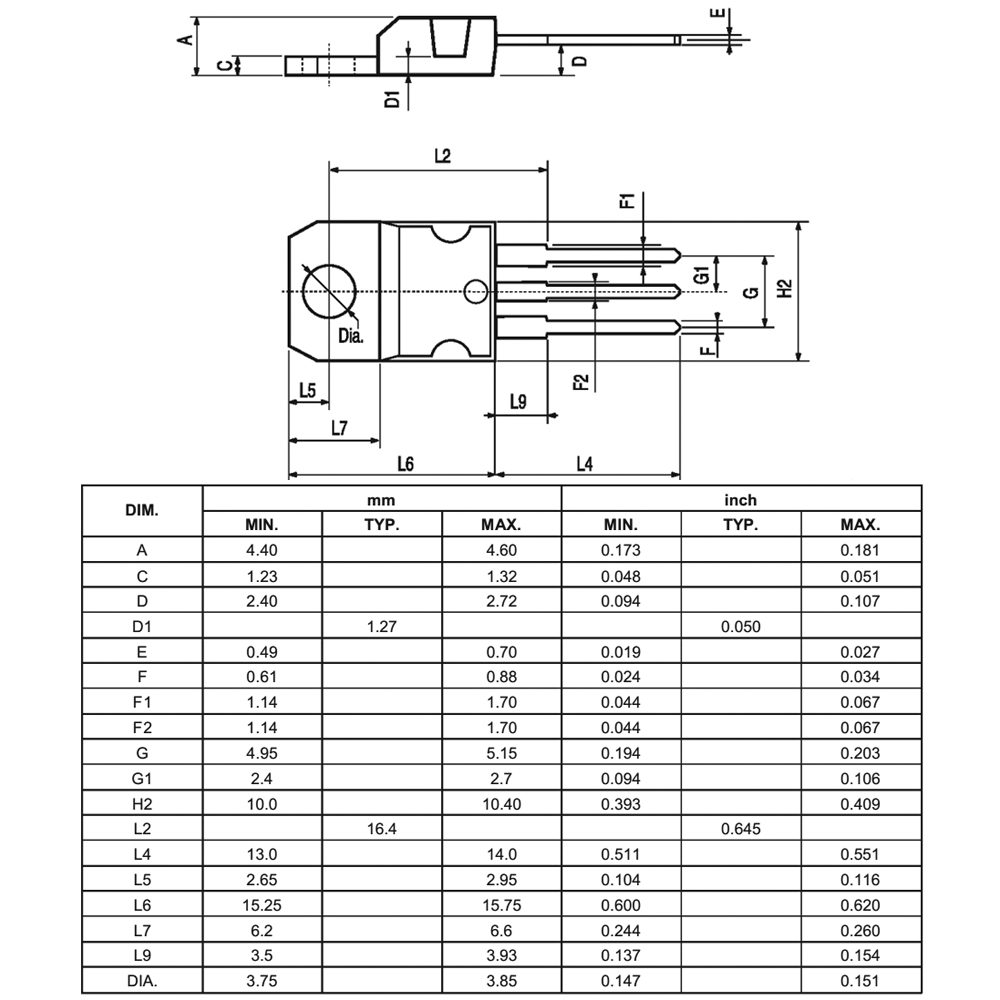
- پکیج TO-220AB
- نوع نصب روی برد Through Hole
- تعداد کانال 1 کانال
- منفی یا مثبت N-Channel قطب
- ولتاژ 400 ولت
- جریان 10 آمپر
- مقاومت 550 میلی اهم







نقد و بررسی وجود ندارد.