توضیحات
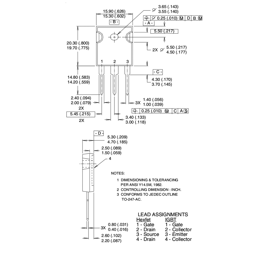
مشخصات IPW65R095C7
این قطعه از خانواده ماسفت میباشد. ویژگیهای فنی این محصول براساس دیتاشیت ارایه شده از سوی تولید کننده آن به شرح زیر می باشد:
- برند Infineon Technologies
-
نام کارخانهای 65C7095
- پکیج TO-247AC
- نوع نصب روی برد Through Hole
- تعداد کانال 1 کانال
- منفی یا مثبت N-Channel قطب
- ولتاژ 650 ولت
- جریان 24 آمپر
- مقاومت 84 میلی اهم





نقد و بررسی وجود ندارد.