توضیحات
مشخصات IPW65R065C7
این قطعه از خانواده ماسفت میباشد. ویژگیهای فنی این محصول براساس دیتاشیت ارایه شده از سوی تولید کننده آن به شرح زیر می باشد:
- برند Infineon Technologies
-
نام کارخانهای 65C7065
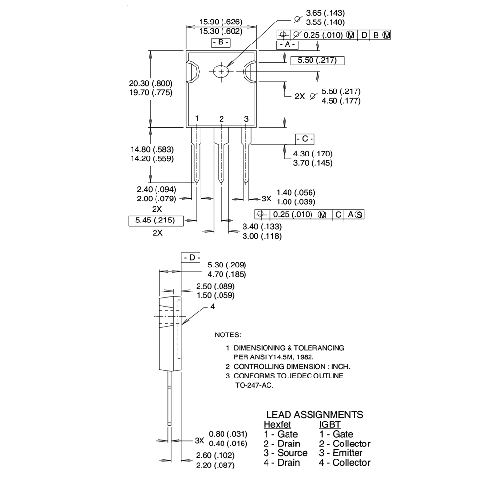
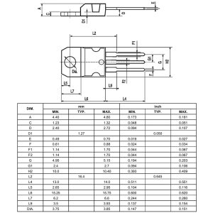
- پکیج TO-247AC
- نوع نصب روی برد Through Hole
- تعداد کانال 1 کانال
- منفی یا مثبت N-Channel قطب
- ولتاژ 650 ولت
- جریان 33 آمپر
- مقاومت 65 میلی اهم






نقد و بررسی وجود ندارد.