توضیحات
مشخصات IPW60R099P6
این قطعه از خانواده ماسفت میباشد. ویژگیهای فنی این محصول براساس دیتاشیت ارایه شده از سوی تولید کننده آن به شرح زیر می باشد:
- برند Infineon Technologies
-
نام کارخانهای 6R099P6
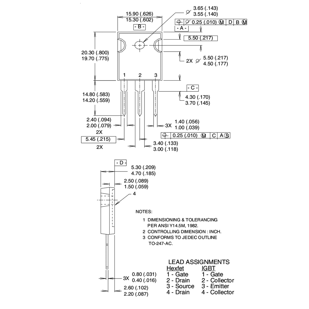
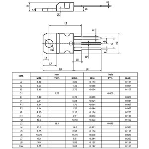
- پکیج TO-247AC
- نوع نصب روی برد Through Hole
- تعداد کانال 1 کانال
- منفی یا مثبت N-Channel قطب
- ولتاژ 600 ولت
- جریان 37.9 آمپر
- مقاومت 99 میلی اهم






نقد و بررسی وجود ندارد.