توضیحات
مشخصات IPW60R070C6
این قطعه از خانواده ماسفت میباشد. ویژگیهای فنی این محصول براساس دیتاشیت ارایه شده از سوی تولید کننده آن به شرح زیر می باشد:
- برند Infineon Technologies
-
نام کارخانهای 6R070C6
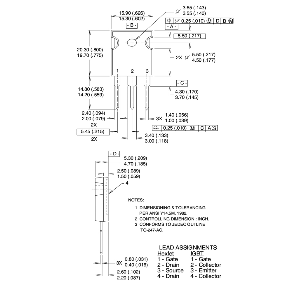
- پکیج TO-247AC
- ولتاژ 650 ولت
- جریان 53 آمپر
- نوع نصب روی برد Through Hole
- تعداد کانال 1 کانال
- منفی یا مثبت N-Channel قطب
- مقاومت 63 میلی اهم





نقد و بررسی وجود ندارد.