توضیحات
MOSFET
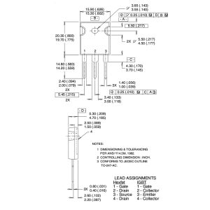
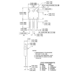
مشخصات IPP65R110CFDA
این قطعه از خانواده ماسفت میباشد. ویژگیهای فنی این محصول براساس دیتاشیت ارایه شده از سوی تولید کننده آن به شرح زیر می باشد:
ترانزیستور MOSFET یکی از محصولات باکیفیت برند Infineon است که با بهرهگیری از فناوری CoolMOS™، راندمان بالا و اتلاف حرارتی پایین را برای کاربردهای سوئیچینگ سریع فراهم میکند. این قطعه مناسب استفاده در منابع تغذیه سوئیچینگ، اینورترها، پاورهای صنعتی و تجهیزات پرتوان است.








نقد و بررسی وجود ندارد.