توضیحات
مشخصات IPP126N10N3G
این قطعه از خانواده ماسفت میباشد. ویژگیهای فنی این محصول براساس دیتاشیت ارایه شده از سوی تولید کننده آن به شرح زیر می باشد:
- برند Infineon Technologies
-
نام کارخانهای 126N10N
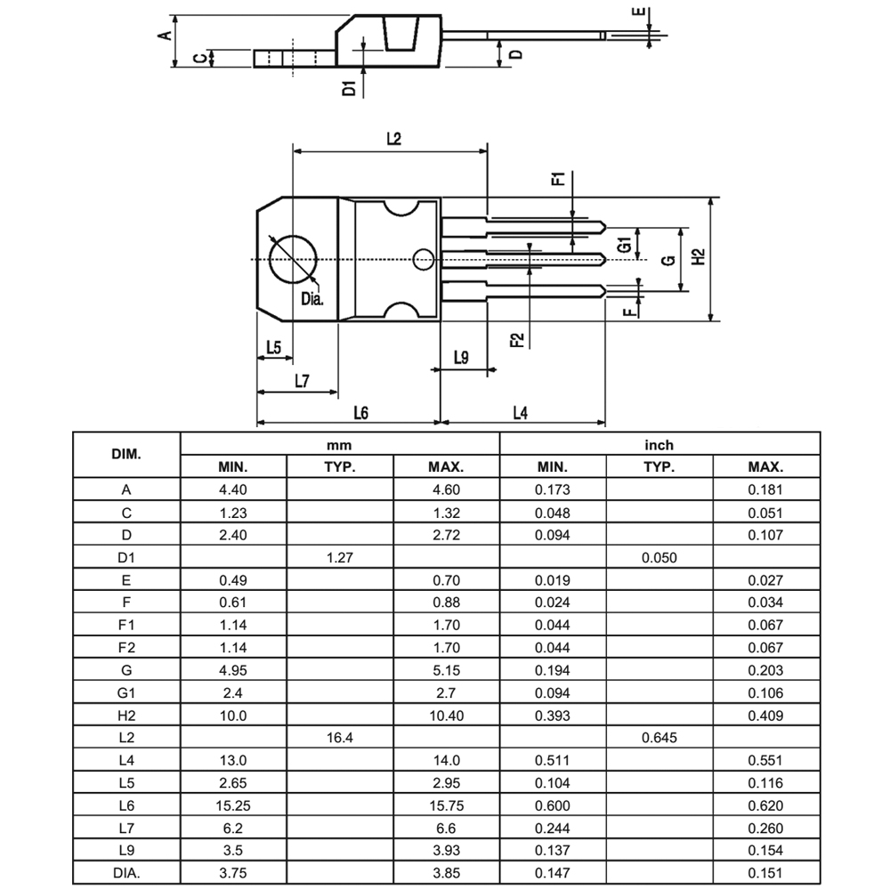
- پکیج TO-220AB
- نوع نصب روی برد SMD/SMT
- تعداد کانال 1 کانال
- منفی یا مثبت N-Channel قطب
- ولتاژ 100 ولت
- جریان 58 آمپر
- مقاومت 11 میلی اهم







نقد و بررسی وجود ندارد.