توضیحات
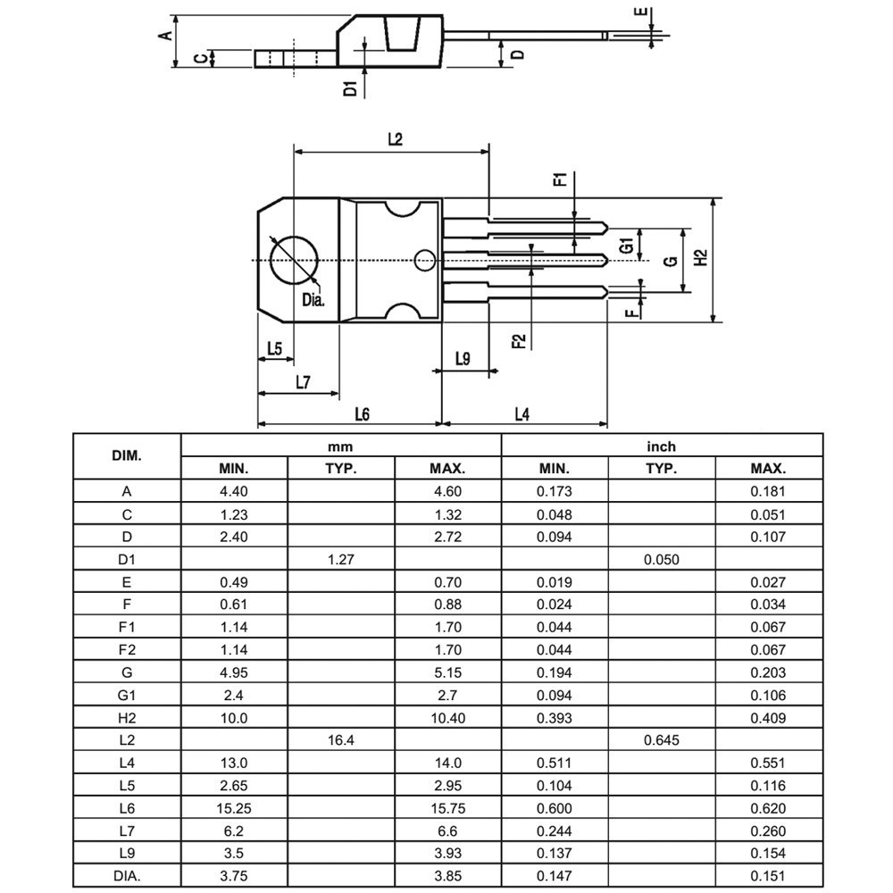
مشخصات IPP075N15N3 G
این قطعه از خانواده ماسفت میباشد. ویژگیهای فنی این محصول براساس دیتاشیت ارایه شده از سوی تولید کننده آن به شرح زیر می باشد:
- برند Infineon Technologies
- پکیج TO-220AB
- ولتاژ 150 ولت
- جریان 100 آمپر
- نوع نصب روی برد Through Hole
- تعداد کانال 1 کانال
- منفی یا مثبت N-Channel قطب
- مقاومت 6.4 اهم






نقد و بررسی وجود ندارد.