توضیحات
مشخصات FQD11P06TM
FQD11P06TM از خانواده ماسفت میباشد. ویژگیهای فنی این محصول براساس دیتاشیتFQD11P06TM ارایه شده از سوی تولید کننده آن به شرح زیر می باشد:
- برند Fairchild Semiconductor
- نام کارخانهای FQD11P06TM
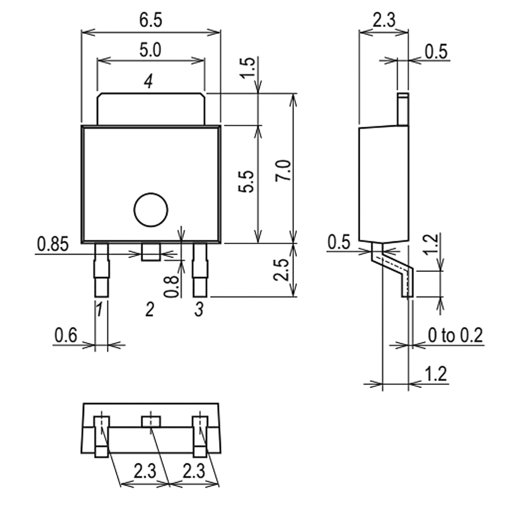
- پکیج TO-252 (D-PAK)
- نوع نصب روی برد SMD/SMT
- تعداد کانال 1 کانال
- منفی یا مثبت P-Channel قطب
- ولتاژ -60 ولت
- جریان -9.4 آمپر
- مقاومت 185 میلی اهم






نقد و بررسی وجود ندارد.