توضیحات
مشخصات C2M0280120D
این قطعه از خانواده ماسفت میباشد. ویژگیهای فنی این محصول براساس دیتاشیت ارایه شده از سوی تولید کننده آن به شرح زیر می باشد:
- برند Cree, Inc
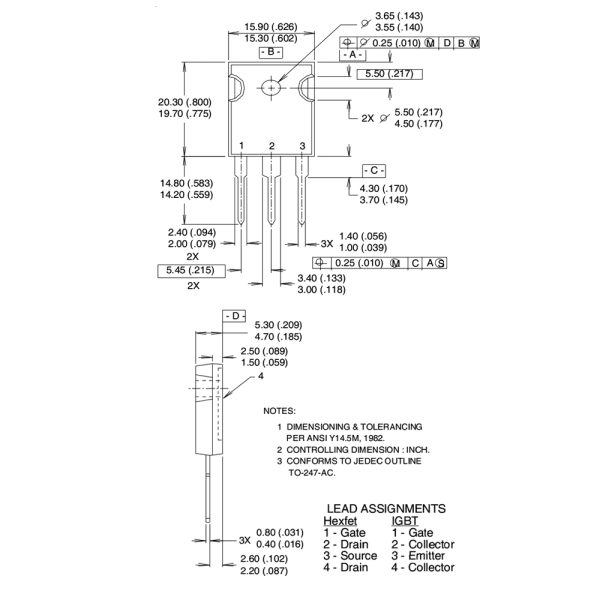
- پکیج TO-247AC
- نوع نصب روی برد Through Hole
- تعداد کانال 1 کانال
- منفی یا مثبت N-Channel قطب
- ولتاژ 1.2 کیلو ولت
- جریان 10 آمپر
- مقاومت 280 میلی اهم





نقد و بررسی وجود ندارد.