توضیحات
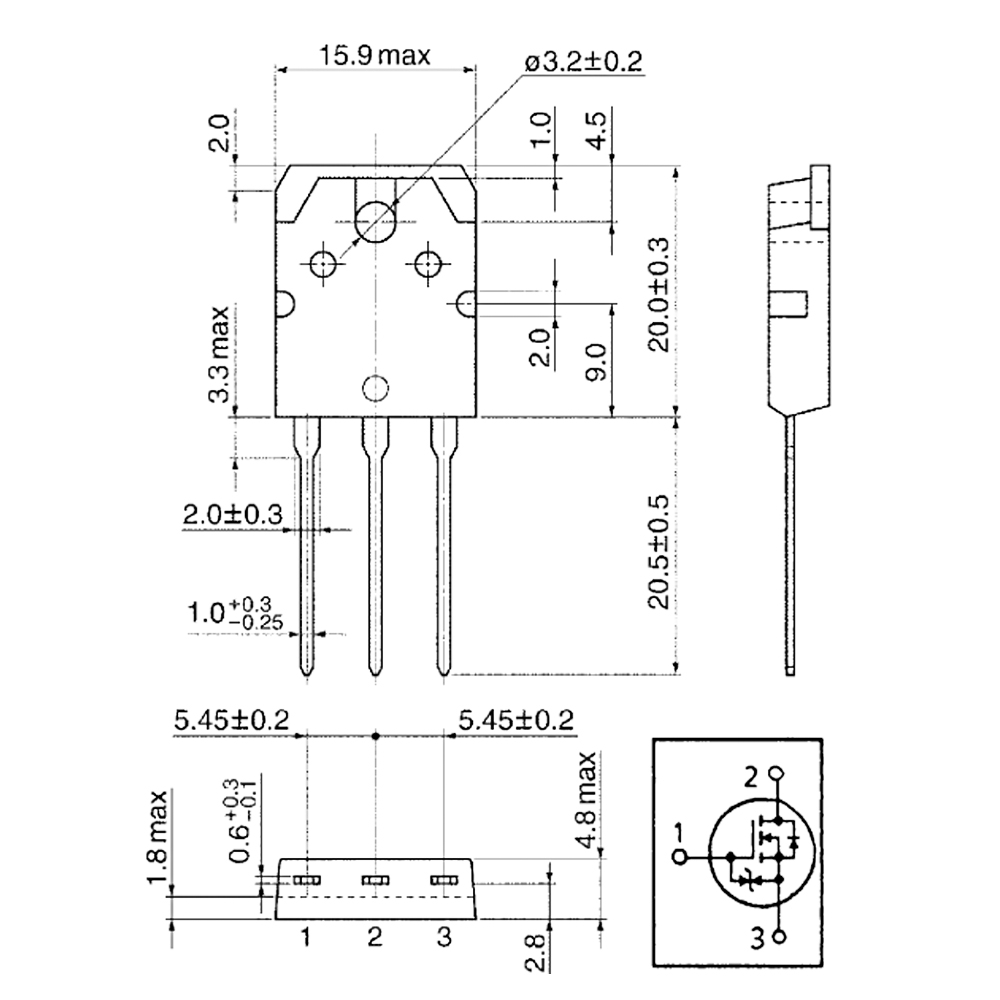
مشخصات 2SK2837
این قطعه از خانواده ماسفت میباشد. ویژگیهای فنی این محصول براساس دیتاشیت ارایه شده از سوی تولید کننده آن به شرح زیر می باشد:
- برند Toshiba Corporation
- پکیج TO-247AD (TO-3P)
- ولتاژ 500 ولت
- جریان 20 آمپر
- نوع نصب روی برد Through Hole
- تعداد کانال 1 کانال
- منفی یا مثبت N-Channel قطب
- مقاومت 270 میلی اهم






نقد و بررسی وجود ندارد.